Sign In | Join Free | My hardware-wholesale.com
China Shenzhen Hongxinwei Technology Co., Ltd logo
Shenzhen Hongxinwei Technology Co., Ltd
Shenzhen Hongxinwei Technology Co., Ltd To adopt new technology,to produce products of quality,to offer high-class service.
Site Member

7 Years

Home > IGBT Module >

PSS30S71F6 240Vrms 90.9W Diode Power Modules DC/AC inverter

Shenzhen Hongxinwei Technology Co., Ltd
Contact Now

PSS30S71F6 240Vrms 90.9W Diode Power Modules DC/AC inverter

  • 1
  • 2
  • 3

Brand Name : Mitsubishi Electric

Model Number : PSS30S71F6

Certification : ROHS

Place of Origin : CHINA

MOQ : 9PCS

Price : NEGOTIABLE

Payment Terms : T/T

Supply Ability : 1152PCS/WE4EK

Delivery Time : 2-3DAYS

Packaging Details : 288PCS/BOX

Configuration : 6-Pack

Pd - Power Dissipation : 90.9W

Minimum Operating Temperature : - 20 C

Maximum Operating Temperature : + 100 C

AC : 100~240Vrms

DC : 400V or below

Contact Now

PSS30S71F6 With Temperature Output Function Diode Power Modules

1.MAIN FUNCTION AND RATINGS

3 phase DC/AC inverter
600V / 30A (CSTBT)
N-side IGBT open emitter
Built-in bootstrap diodes with current limiting resistor

2.APPLICATION

AC 100~240Vrms(DC voltage:400V or below) classlow power motor control

3.INTEGRATED DRIVE, PROTECTION AND SYSTEM CONTROL FUNCTIONS

For P-side: Drive circuit, High voltage high-speed level shifting, Control supply under-voltage (UV) protection
● For N-side:Drive circuit, Control supply under-voltage protection (UV), Short circuit protection (SC),
● Fault signaling : Corresponding to SC fault (N-side IGBT), UV fault (N-side supply)
● Temperature output : Outputting LVIC temperature by analog signal
● Input interface : 3, 5V line, Schmitt trigger receiver circuit (High Active)

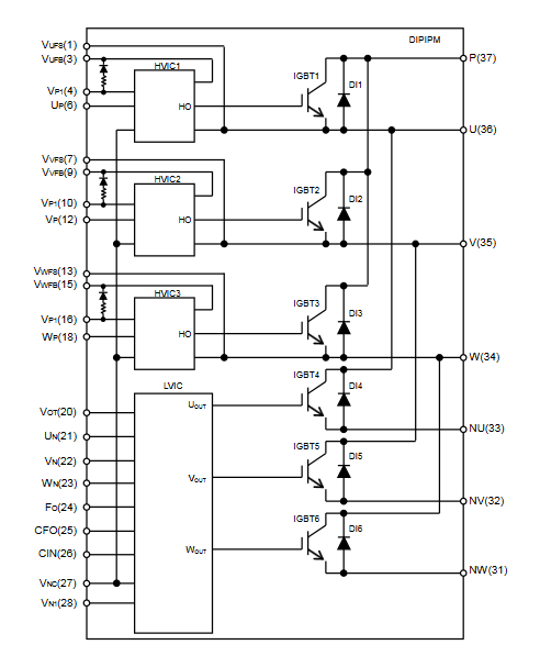
4.INTERNAL CIRCUIT

PSS30S71F6 240Vrms 90.9W Diode Power Modules DC/AC inverter

5.Control terminals

PSS30S71F6 240Vrms 90.9W Diode Power Modules DC/AC inverter

6.4 VOT output circuit

PSS30S71F6 240Vrms 90.9W Diode Power Modules DC/AC inverter

7.

Q1. What is your terms of packing?

A: Generally, we pack our goods in neutral white boxes and brown cartons. If you have legally registered patent, we can pack the goods in your branded boxes after getting your authorization letters.

Q2. What is your MOQ?

A:We provide you small MOQ for each item, it depends your specific order!

Q3. Do you test or check all your goods before delivery?

A: Yes, we have 100% test and check all goods before delivery.

Q4: How do you make our business long-term and good relationship?

We keep good quality and competitive price to ensure our customers benefit ;

We respect every customer as our friend and we sincerely do business and make friends with them,It's not something that can be replaced.

Q5: How to contact us?
A: Send your inquiry details in the below,Click "Send"Now!!!

PSS30S71F6 240Vrms 90.9W Diode Power Modules DC/AC inverter


Product Tags:

90.9W Diode Power Modules

      

240Vrms Diode Power Modules

      

PSS30S71F6

      
China PSS30S71F6 240Vrms 90.9W Diode Power Modules DC/AC inverter wholesale

PSS30S71F6 240Vrms 90.9W Diode Power Modules DC/AC inverter Images

Inquiry Cart 0
Send your message to this supplier
 
*From:
*To: Shenzhen Hongxinwei Technology Co., Ltd
*Subject:
*Message:
Characters Remaining: (0/3000)